Продукция
Подогреватель блочный (трубчатый)
Подогреватель блочный с промежуточным теплоносителем (ПБ(Т)) предназначен для нагрева нефти, газа, пластовой воды и их смесей в системе сбора, транспорта и подготовки продукции скважин.
Модельный ряд подогревателей включает:
– двухпоточные на одном виде топлива ПБТ-1,6М; ПБТ-1,6МЖ;
– дувхпоточные на двух видах топлива (комбинированные) ПБТ-1,6МК.
Подогреватель с промежуточным теплоносителем со змеевиком уплотненной компоновки и топочным устройством с развитой поверхностью нагрева обеспечивает высокоэкономичный «мягкий» режим нагрева продукта различного состава. При этом колебания расходов продукта и величина газовой фазы не влияют на надежность работы установки.
Подогреватель ПБТ-1,6М/МЖ/МК при равной тепловой мощности выгодно отличается от подогревателя ПП-1,6 и подогревателей других российских и иностранных производителей экономичностью и меньшими габаритно-массовыми показателями. Указанные преимущества обеспечивают сокращение затрат на монтаж и эксплуатацию подогревателей серии ПБТ.
Технические характеристики
|
Показатель |
ПБТ-1.6М |
ПБТ-1.6МЖ |
ПБТ-1.6МК |
|
Номинальная тепловая мощность. МВт (Гкал) |
1.86(1.6) |
1.86(1.6) |
1.86(1.6) |
|
Нагреваемая среда |
нефть, газ. пластовая вода и их смеси |
||
|
Производительность по нефтяной эмульсии с содержанием воды 30% мае. кг/с (т/сут) |
18,5(1600) |
18(1600) |
18,5(1600) |
|
Давление в продуктовом змеевике. МПа: рабочее, не более Перепад давления в змеевике, не более |
6.3’ (63) 0,35 (3.5)’ |
6.3- (63) 0.35 (3.5)* |
6.3* (63) 0,35 (3.5)* |
|
Температура. +°С: - продукта на входе / выходе - промежуточного теплоносителя (пресная вода), не более |
5/70 95 |
5/70 95 |
5/70 95 |
|
Топливо |
природный или попутный нефтяной газ Онр= 35-60 МДж/нм’ |
товарная нефть Онр= 25-46 МДж/л |
природный или попутный нефтяной газ Онр= 35-60 МДж/нм3 / товарная нефть Онр= 25-46 МДж/л |
|
Расход топлива, ном. |
215нм3/ч (Онр=35 МДж/нм1) |
210 л/ч (Онр=40 МДж/л) |
215 нм3/ч (Онр=35 МДж/нм3)/210 л/ч (Онр= 40 МДж/л) |
|
КПД, %, не менее |
80 |
||
|
Потребляемая электрическая мощность. КВт, не более |
5.0” |
12” |
5” |
|
Габаритные размеры в собранном виде (ДхЩхВ), м |
11.77 x 3.47 x 3.95 |
12.64x8.6x3.95 |
11.92x3.47x3.95 |
|
Масса, т |
18 |
18 |
12.5 |
* по спец. заказу возможно исполнение с повышенным давлением в продуктовом змеевике;
** при низких температурах окружающего воздуха возможен подогрев воздуха, поступающего на горение электронагревателями мощностью 10 кВт.
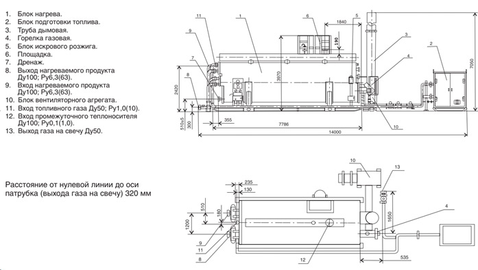
Устройство и работа подогревателя путевого серии ПБТ-1,6 и его составных частей
Типовой состав
- блок нагрева;
- блок подготовки топлива;
- блок вентагрегата;
- система автоматизации.
Технологический процесс нагрева продукта осуществляется следующим образом:
Продукт из промысловой сети поступает в змеевик подогревателя, нагревается от промежуточного теплоносителя,после чего выводится из подогревателя. Топливо для питания горелочных устройств отбирается из продуктового трубопровода, подготавливается в блоке подготовки топлива, при необходимости подогревается, и под заданным давлением подается к горелкам. Охлажденные продукты сгорания через дымовую трубу выводятся из топки подогревателя в атмосферу.
- Блок нагрева предназначен для передачи тепла от продуктов сгорания нагреваемому продукту. Блок нагрева
представляет собой емкость, установленную на раме-основании и заполненную промежуточным теплоносителем
(пресной водой) с вмонтированными в ней топкой и продуктовыми змеевиками. Блок нагрева представляет собой моноблок, который может транспортироваться любым видом транспорта. - Блок подготовки топлива предназначен для размещения приборов очистки, редуцирования и контроля подачи
топлива к горелочным устройствам. Приборы смонтированы в утепленном шкафу. - Блок вентагрегата представляет собой утепленное укрытие, в котором размещен радиальный вентилятор типа
ВР1226N3,15 с электродвигателем 4А100S2 мощностью 4 кВт.

Система автоматизации настенного или шкафного исполнения (указывается при заказе) ПБТ-1,6М/Мж/МК обеспечивает:
- местный визуальный контроль основных параметров технологического процесса;
- автоматическое регулирование давления топливного газа, подаваемого к горелочному устройству и температуры нагрева продукта, соотношения расходов газа и воздуха на режимах «малого» и «большого» горения;
- автоматический розжиг запальной и основной горелок с предварительным проветриванием топочного пространства естественной тягой;
- автоматическую остановку и блокировку программы пуска подогревателя с подачей звуковой и световой сигнализации при отклонении от установленных значений основных технологических параметров:
– снижении давления топливного газа после регулирующего клапана менее допустимого;
– повышении давления топливного газа после регулирующего клапана более допустимого;
– повышении давления нагреваемого продукта на входе в подогреватель более 6,3 МПа;
– снижении уровня промежуточного теплоносителя;
– повышении температуры промежуточного теплоносителя в подогревателе более 95°С;
– снижении давления воздуха в воздуховоде;
– погасании пламени основной горелки в режиме нормальной работы подогревателя;
– срыве пламени запальной горелки при розжиге;
– неисправности канала контроля пламени;
– отключении электроэнергии;; - рабочую известительную сигнализацию по следующим параметрам:
– наличию напряжения питания– прохождению программы розжига;
– наличию пламени запальной и основных горелок;
– работе шторки ПУИ.
Технические характеристики
|
Параметры |
Размерность |
Величина |
|
Нагреваемое сырье |
- |
Нефтяная эмульсия, нефтепродукты, газ, вода и другие технологические продукты |
|
Производительность |
кг/ч |
500÷ 500 000 |
|
Тепловая мощность |
МВт |
0,1÷10 |
|
Температура сырья: - на входе - на выходе |
0С |
-50...100 0...150 |
|
Давление сырья: - на входе в подогреватель - на выходе из подогревателя |
МПа (кгс/см2) |
0,1-20,0 (1,0-200,0) 0,02-20,0 (0,2-200,0) |
|
Поверхность нагрева змеевика |
м2 |
10-1000 |
|
Рабочая длина труб
|
м |
3-12 |
|
Диаметр труб
|
мм |
32-219 |
|
Расчетные параметры по змеевику: - расчетная температура стенки труб, не более - расчетное давление, не более - давление гидравлического испытания, не более |
0С
МПа (кгс/см2) |
200
20,0 (200)
25,0 (250) |
|
Объем змеевика |
м3 |
0,08...100 |
|
Материал труб змеевика |
- |
Ст20, 09Г2С, 10Г2, 12Х18Н10Т, 10Х17Н13М2Т, а также соответствующие российские и импортные аналоги |
|
Материал топочного устройства |
- |
Ст 3, 17Г1С, 20(А), 09Г2С, 10Г2, 12Х18Н10Т, 10Х17Н13М2Т, а также соответствующие российские и импортные аналоги |
|
Вид топлива: - газовое
- жидкое |
|
Природный, попутный, сжиженный газ Попутный газ с повышенным содержанием сероводорода Дизельное, печное бытовое, мазут, товарная нефть |
|
Габаритные размеры: - диаметр - длина - ширина - отметка верха дымовой трубы |
мм |
3 200 20 000 5 000 20 000 |
|
Назначенный срок службы, не менее - металлоконструкций - продуктового змеевика - топочного устройства |
год |
20 10 10 |
Документы
-
jpg, 56,98 КБСкачать документ
-
- Комплексные решения по водоподготовке
- Водоочистные станции/Водоочистные сооружения
- Комплексные решения по очистке сточных вод
- КОС-Л Комплексы блочно-модульные очистки ливневых стоков
- КОС-П Комплексы блочно-модульные очистки промышленных сточных вод
- КОС-Б Комплексы блочно-модульные очистки хозяйственно-бытовых сточных вод
- Мембранные фильтр-элементы для установок обратного осмоса и ультрафильтрации